咨询热线
0510-83321057

咨询
热线

首页>产品中心>产品详情

WHKN-125N

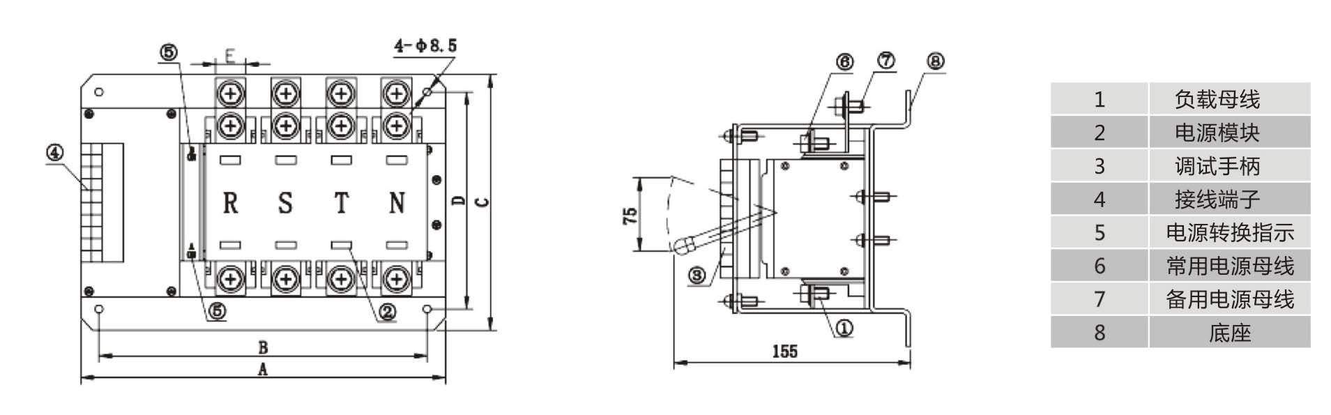
产品介绍

  • 概述
WHK系列自动转换开关电器,适用于双回路电源供电系统(电网——电网,电网——发电机或发电机——发电机)因一路电源电压或频率发生异常等故障而进行电源的切换,以保证重要用户供电的连续性和安全ATSE广泛应用于公共建筑、能源和民用住宅、工业自动化、基础设施、军事设施等领域。

  • 正常使用条件和安装条件
周围空气温度不超过+40℃,且其24h内的平均温度值不超过+35℃。周围空气温度的下限-5℃。安装地点的海拔不超过200m
最高温度为+40℃时,空气的相对湿度不超过50%,在较低的温度下可以允许有较高的相对湿度例如20℃时湿度可达90%。对由于温度变化偶尔产生的凝露应采取特殊的措施。
污染等级为3。
安装类别Ⅲ,适用于电磁环境B。
输储存温度:-20℃至+55℃之间。
 

下载说明文档